CB-B系列齒輪泵是一種新型齒輪泵。CB-B系列齒輪泵又叫微形齒輪泵、小流量耐腐蝕泵。CB-B系列齒輪泵是一種容積式內嚙合齒輪泵,它的內齒輪是圓弧齒形的,外齒輪是短幅外擺線形的。通過一對相互嚙合的齒輪將電動機所輸出的機械能轉換成液壓能的轉換裝置,在機床或其它機械的液壓系統中提供一定的流量壓力。
CB-B系列齒輪泵結構簡單、外形美觀、重量輕,維修方便、價格低廉、噪聲低、輸油平穩流量大,脈沖小,運轉平穩、自吸性能好、工作可靠、使用壽命長。
因結構簡單,它不能承受較高的壓力,所以這類齒輪泵適用于各種機床的液壓系統、負載較小的液壓傳動系統。
產品優點:
1. CB-B型齒輪泵體積小 、重量輕
2..CB-B型齒輪泵結構簡單
3. CB-B型齒輪泵維護方便
4. CB-B型齒輪泵適用與各種機械上。
適用范圍及用途:
CB-B系列齒輪泵與部頒CB-B型和BB-B型齒輪泵安裝尺寸完全通用,可互換安裝使用。是目前使用的CB-B系列齒輪泵理想換代產品。
CB-B系列齒輪泵適用于輸送粘度為1~8帕斯卡的礦物油及性質差不多的植物油,油溫不大于100℃,如液壓油、機械油、燃料油.
CB-B系列齒輪泵不適合用于易燃、易爆的介質以及含硬度較高的顆粒雜質的介質。
CB-B系列齒輪泵廣泛使用于機床低壓液壓傳動系統和大型機械設備中稀油站的供油和冷卻系統以及各種機械設備的潤滑系統.
型號說明:

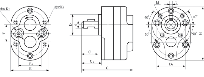
CB-B齒輪泵外形圖
.jpg)
CB-B齒輪泵技術參數
.jpg)

